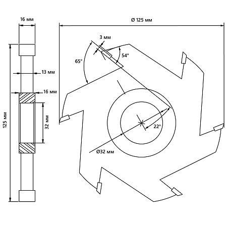
Фреза пазовая BELMASH 125х32х16 мм
Артикул: RF0032T
Описание
Характеристики
Отзывы
Фреза пазовая (дисковая) BELMASH 125х32х16 мм применяется для выработки прямоугольных пазов, выборке четвертей и фрезеровании вдоль волокон в заготовках из древесины различных пород. Максимальная частота вращения – 6200 об./мин.
Фреза имеет антикоррозионную обработку (никель-фосфорное гальваническое покрытие).
В комплекте поставки есть переходное кольцо - 32/30 мм. Наружный диаметр 48 мм, ширина 18 мм + толщина бортика 3 мм, суммарно ширина посадочного на вал - 21 мм. Масса кольца 36 грамм.
Фреза упакована в пластиковый пенал.
Обратите внимание!
На распиловочные станки серии TS-250R и LTS-250 фреза устанавливается с использованием Переходных колец.
• Отключите машину от питающей сети.
• Соблюдайте правильную ориентацию режущих зубьев.
• Производите необходимые действия в защитных перчатках для предотвращения травм.
• Используйте оснастку, рекомендованную производителем оборудования.
Диаметр дисковой фрезы
125 мм
Посадочный диаметр дисковой фрезы
32 мм
Количество зубьев
6 шт
Тип фрезы
Пазовая
Ширина зубьев
16 мм
Габаритный размер (Д × Ш × В)
125 × 125 × 16 мм
Размер упаковки (Д × Ш × В)
132 × 132 × 32 мм
Масса нетто
0.8 кг
Масса брутто
0.8 кг
Комплект (кратность) продажи
1 шт
Страна происхождения
Китай
Оцените товар



