Фреза пазовая BELMASH с подрезающими зубьями 125х32х10 мм
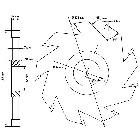
Фреза пазовая (дисковая) BELMASH 125х32х10 мм применяется для выработки прямоугольных пазов, выборке четвертей и фрезеровании вдоль и поперек волокон в заготовках из древесины различных пород. Максимальная частота вращения – 6200 об./мин.
Ширина основного зуба - 10 мм, подрезающих - 6,5 мм.
Фреза имеет антикоррозионную обработку (никель-фосфорное гальваническое покрытие).
В комплекте поставки есть переходное кольцо - 32/30 мм. Наружный диаметр 48 мм, ширина 11 мм + толщина бортика 3 мм, суммарно ширина посадочного на вал - 14 мм. Масса кольца 30 грамм.
Фреза упакована в пластиковый пенал.
Внимание!
В виду конструктивных особенностей входящего в комплект проставочного кольца, данная фреза устанавливается на станки BELMASH c использование Переходного кольца 32х8х15,875 (на распиловочные станки серии TS-250R и LTS-250) и Кольца переходного BELMASH 32/30 8мм (на многофункциональные станки BELMASH).
• Отключите машину от питающей сети.
• Соблюдайте правильную ориентацию режущих зубьев.
• Производите необходимые действия в защитных перчатках для предотвращения травм.
• Используйте оснастку, соответствующую вашему оборудованию.
Переточка режущего инструмента производиться только по рабочей поверхности зубьев без изменения переднего угла.












